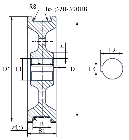
Колесо крановое одноребордное К1Р-400х100

не определена
Стоимость уточняйте

Колесо крановое одноребордное К1Р-400х100

D,Диаметр поверхности катания, мм 400
D1, Диаметр колеса, мм 450
B, Ширина поверхности катания, мм 100
B1,Ширина обода, мм 130
Масса одноребордного кранового колеса, кг 61
Почему выбирают НПК «Технологии подъема»:
  • 20 лет работы на рынке.
  • Своевременная отгрузка.
  • Высокий контроль качества.
  • Разумная ценовая политика.

Наша продукция ежедневно доказывает свои высокотехнологическое качества, прочность и надежность как на крупнейших промышленных предприятиях так и на маленьких производствах.

Наши квалифицированные специалисты помогут Вам подобрать необходимое оборудование при оптимальном соотношении цены и качества. Для связи с нашими специалистами, переходите по ссылке.

  • Ответственность за итоговый результат
  • Партнеры производителей комплектующих
  • Собственные производственные площади
  • Безупречная надежность и репутация
X
Перезвонить Вам?
X
X
Быстрый заказ
X
Избранное
X
Авторизация