Колесо крановое двухребордное К2Р-500х100 (для крана ККС-10)

не определена
Стоимость уточняйте

Колесо крановое двухребордное К2Р-500х100 (для крана ККС-10)

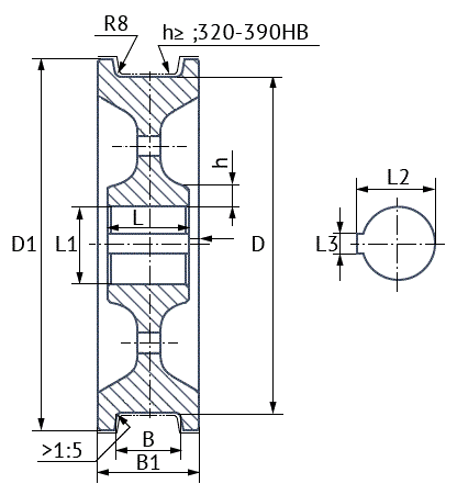
D,Диаметр поверхности катания, мм 500
D1, Диаметр колеса, мм 550
B, Ширина поверхности катания, мм 100
B1,Ширина обода, мм 150
Масса двухребордного кранового колеса, кг 150
Почему выбирают НПК «Технологии подъема»:
  • 20 лет работы на рынке.
  • Своевременная отгрузка.
  • Высокий контроль качества.
  • Разумная ценовая политика.

Наша продукция ежедневно доказывает свои высокотехнологическое качества, прочность и надежность как на крупнейших промышленных предприятиях так и на маленьких производствах.

Наши квалифицированные специалисты помогут Вам подобрать необходимое оборудование при оптимальном соотношении цены и качества. Для связи с нашими специалистами, переходите по ссылке.

  • Ответственность за итоговый результат
  • Партнеры производителей комплектующих
  • Собственные производственные площади
  • Безупречная надежность и репутация
X
Перезвонить Вам?
X
X
Быстрый заказ
X
Избранное
X
Авторизация